济南维优科技开发有限公司
首页
公司介绍
企业资质
产品展示
公司动态
服务与支持
技术中心
机车三项设备代维服务
首页
公司介绍
企业资质
产品展示
公司动态
服务与支持
技术中心
机车三项设备代维服务
联系我们
技术中心
展开分类目录
收起分类目录
新闻中心
公司动态
行业新闻
技术中心
机车概述
更多内容
23
0
技术中心
安全常识必知
更多内容
23
0
技术中心
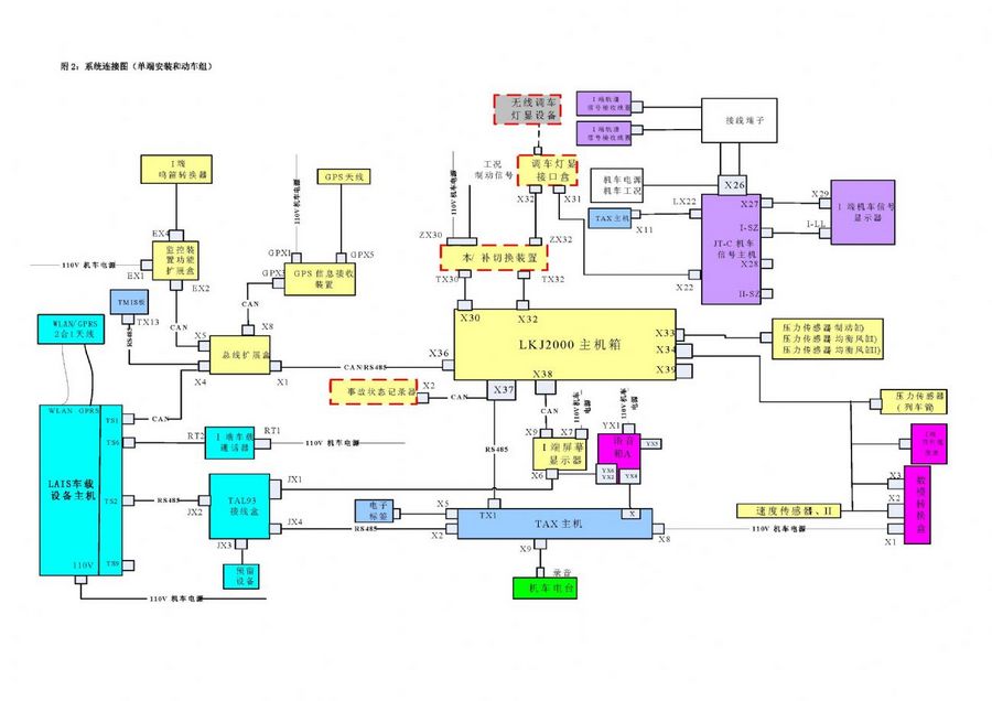
LKJ系统连接图(单端安装和动车组)
更多内容
12
0
技术中心
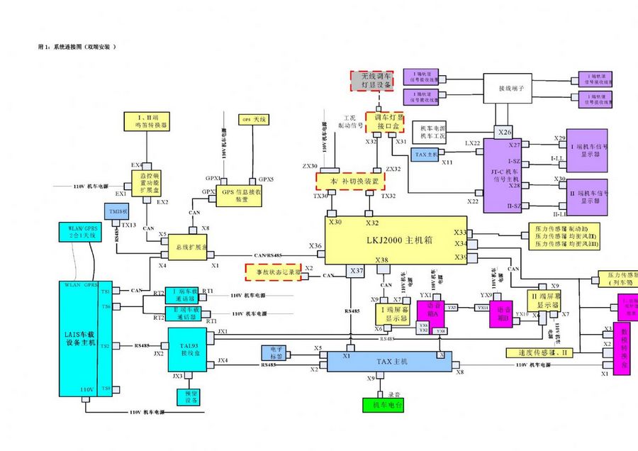
LKJ系统连接图(双端安装)
更多内容
12
0
技术中心
故障判断与处理方法-LKJ2000型列车运行监控装置使用检修说明书第七版
更多内容
12
0
技术中心
2000型监控装置在地方铁路的运用
更多内容
60
0
< 上一页
下一页 >